Rénovo X240
J'ai récupéré un ordinateur portable Lenovo ThinkPad X240 pour lui donner une seconde jeunesse1. Au départ, il s'agissait simplement de changer le clavier qui était défectueux depuis qu'il avait été aspergé d'une tasse de café. Et puis la loi de Murphy a frappé une deuxième fois cette machine.
La gamme des ordinateurs ThinkPad est très répandue en entreprise ce qui explique qu'on trouve aisément des pièces de rechange. Après avoir suivi les instructions de cet excellent tutoriel vidéo pour changer le clavier, je démarrais l'ordinateur déjà fier de ma réparation. Aussitôt, j'entendis un léger claquement – Plop – accompagné par l'odeur âcre d'un composant électronique qui venait de brûler. Le message d'erreur suivant s'affichait à l'écran : Fan error. Ça ne sentait pas bon…
Effectivement, le ventilateur ne tournait plus ce qui interrompait la séquence de démarrage. J'essayais alors une astuce trouvée sur Internet : lors du démarrage, je soufflais fortement à travers la sortie d'aération du ventilateur pour le mettre en mouvement et faire croire au BIOS que le ventilateur fonctionnait. L'ordinateur démarrait bien mais le ventilateur demeurait immobile sous Linux ; je décidais sagement d'éteindre la machine pour éviter que son processeur ne surchauffe.
Le lendemain, je démontais le ventilateur pour le tester séparément. Ne disposant pas d'une source de courant continu de 5 volts, j'en bricolais une en coupant un câble USB. En effet, entre le fil rouge et le fil noir, la tension est de 5 volts. Ainsi alimenté, le ventilateur brassait l'air à plein régime.
En observant avec plus d'attention la carte mère, je remarquais une tâche noire à côté du connecteur du ventilateur. Je tenais le coupable : un composant électronique avait bel et bien grillé.

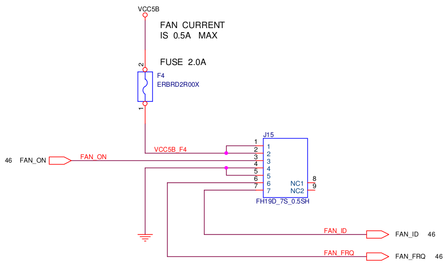
À ce stade, je ne connaissais ni la nature ni les caractéristiques du composant qui avait grillé. Heureusement, un collègue trouvait sur ce forum les schémas électroniques du Lenovo X2402. À la page 50 du document, se trouvait la réponse à ma question : le défunt composant était un fusible qui pouvait supporter un courant d'une intensité de 2 ampères. Il a eu très chaud !

J'ai la chance de travailler dans l'électronique grand public et d'avoir des collègues électroniciens qui savent souder des composants montés en surface. Ils sont très adroits parce que les composants montés en surface sont minuscules (à titre d'exemple le fusible mentionné mesure 1 mm × 0.5 mm). Il n'aura fallu que cinq minutes à l'un de mes collègues pour remplacer le regretté fusible par un fil, faute de disposer d'un remplaçant3. Voici le résultat :

Et le patient dans tout ça ? Il se porte bien puisque c'est depuis le Rénovo X240 que j'écris ces lignes.